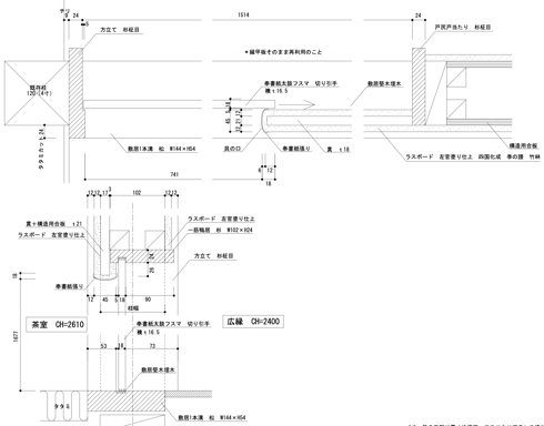
住宅の一室にある茶室、住宅の耐震診断を実施したところ耐震補強が必要とのことで色々シュミレーションをするが、どうしても茶室の4枚の障子戸の部分に壁が必要なので壁4面のうち障子のある一面のみ大壁にして耐震補強を実施。
写真はお弟子さんがお稽古している様子
改修にあたり方引きの建具しか入らないので貝の口の太鼓襖をご提案。小口には大洲の和紙を貼りました。太鼓襖とは閉めた時に「ポンッ」と太鼓のような音がするからと言われています。障子紙よりも透けるので人の気配が良くわかります。
壁などは全面塗り替え、畳も表替をしています。
blogにて最新の活動内容を
アップしています。
古民家再生について
茶室について
新築について
古民家再生
茶室
新築住宅
リノベーション